BWY-802 803 Series Oil Level Temperature Indicator

If you are interested in our products or need technical supports and service,please contact us as bellowing:
This is an error tips
This is an error tips
This is an error tips
This is an error tips
This is an error tips
  • Details

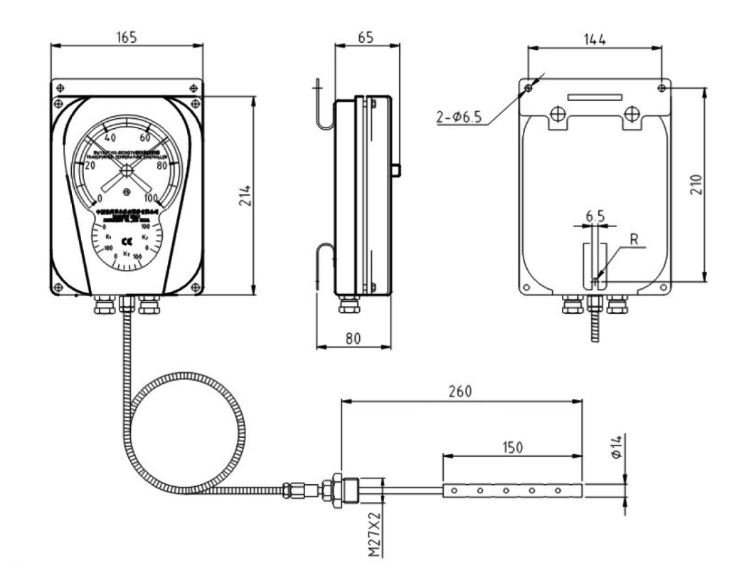
  BWY-802、803、802G、803G series Oil Temperature Indicators (OTI)can adopt composite sensing technology, it outputs the Pt100 thermal resistance signal simultaneously when the liquid inside the sensing bulb pushes elastic elements. This signal can be transmitted to the monitoring room to display and control the oil temperature inside the transformer by XMT-288F(C) series digital temperature indicators. Furthermore,the digital temperature indicators can change the Pt100 thermal resistance signal to DC0-5V,1-5V,4-20mA standard signals and RS485 output.


Description:

I.     Working temperature:-40℃ ~55℃

II.    Measuring range:0℃~100℃ or upon the customers' requirement

III.   Accuracy:±1.5%

IV.   Control capability:

       Adjustable range:full span

       Setting accuracy:±2℃

       Switch differential:6℃±2℃

       Rated Power:AC 250/3A

       0℃~100℃ standard setting point:

       Model 802:K1=55℃,K2=85℃

       Model 802:K1=55℃,K2=65℃,K3=85℃

       Note: The switch setting point can be made according to the customers' requirement.

V.    Output Signals: Pt100 (model BWY-802A,803A,802AG and 803AG)

VI.   Bulb sensor dimension:φ14x150

VII.  Connection:M27x2 or upon the customers' requirement

VIII. Protection class:IP55

 

Product Model

BWY-802

BWY-803


Our Advantage

* Cheap

* Customization acceptable

* Good accuracy

* Wire the cable easily and conveniently



For a better browsing experience, we recommend that you use Chrome, Firefox, Safari and Edge browsers.