15/25kV Four-position Loadbreak Switch

If you are interested in our products or need technical supports and service,please contact us as bellowing:
This is an error tips
This is an error tips
This is an error tips
This is an error tips
This is an error tips
  • Details

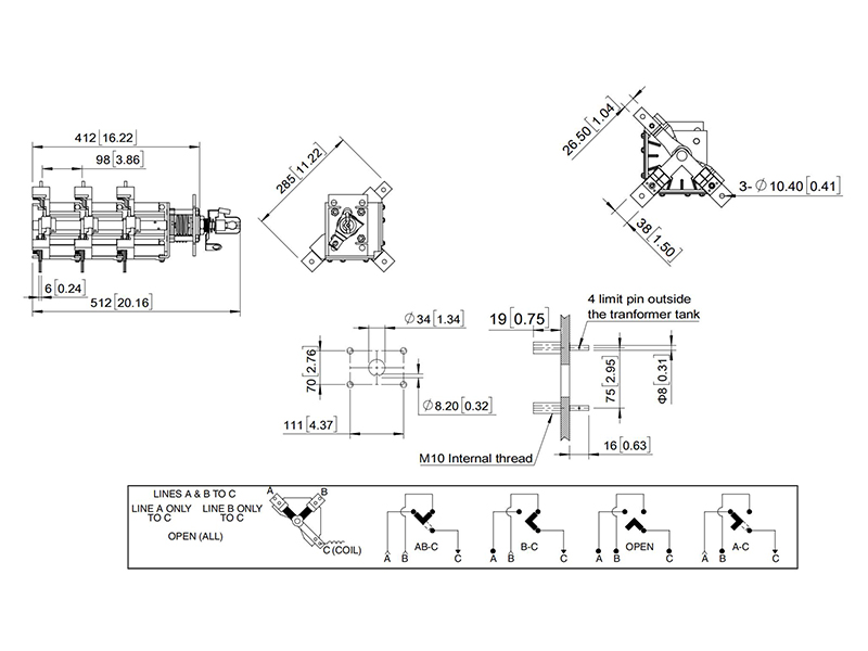
The four-position loadbreak switch is used in underground residential applications with loop feed, and in three-phase commercial industrial installations where the ability to use an alternative source of power is necessary. They can also be used to close or open the power source. The switch uses a manually charged over-toggle stored spring assembly to operate , which is independent of operation speed. The silver plated copper blades are securely keyed between the vented rotor halves which ensure proper blade and contact alignment during switching.

Rated Voltage(Phase-to-Phase)15/25kV
Withstand Voltage(50/60Hz)50kV/1min.
BIL and Full Wave Crest125kV
Rated Current630A/15kV;400A/25kV
Short Time Withstand Current20kA/2s
Mechanical operation life>2000 times
Main circuit resistance<200μΩ


For a better browsing experience, we recommend that you use Chrome, Firefox, Safari and Edge browsers.